| Author |
Message |
|
Lucy_2701
|
Post subject: Multilin SR745 & SR850 Posted: Wed Aug 07, 2024 12:44 pm |
|
Joined: Wed Jul 24, 2024 1:07 pm Posts: 11 Location: Texas
|
|
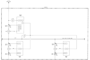
I have a one-line diagram showing a MULTILIN SR745 and a MULTILIN SR850. When I check at the ANSI Device Numbers & Functions for each relay, I don't see 50 53 27 or 59. I saw 50G and 51G. Does anyone know if the numbers in the one-line diagram are incorrect?
| Attachments: |

Multilin 745_850.PNG [ 49.49 KiB | Viewed 27159 times ]
|
|
|
| Top |
|
 |
|
bbaumer
|
Post subject: Re: Multilin SR745 & SR850 Posted: Wed Aug 07, 2024 5:40 pm |
|
| Arc Level |
 |
Joined: Fri Jul 08, 2016 10:01 am Posts: 488 Location: Indiana
|
|
Is your question for SKM modeling purposes or are you trying to set up all the relay functions?
I admit, I'm not the world's foremost authority on protective relaying but if your question is for SKM modeling from that oneline and most models you usually only need 50P, 51P, 50N, 51N, 50G and 51G, if that many, plus the CT ratio for each relay input, the breaker clearing time and any defined time or delays you need to add to the curves to coordinate with downstream devices. Depending on the system you may not even need the neutral or ground curves. Pretty much always need to model the Phase curves.
I personally have not run into instances of needing to try to model any of the voltage or frequency or reverse current or breaker failure etc. parameters nor do I know how to in SKM if it's even possible.
If you are setting up and testing the relays you need much more than just the 50 instantaneous overcurrent and 51 time overcurrent settings and a good deal of experience and equipment. Just to model the curves in SKM, etap or EasyPower, not so much.
_________________ SKM jockey for hire PE in 17 states
|
|
| Top |
|
 |
|
Lucy_2701
|
Post subject: Re: Multilin SR745 & SR850 Posted: Thu Aug 08, 2024 3:23 am |
|
Joined: Wed Jul 24, 2024 1:07 pm Posts: 11 Location: Texas
|
|
bbaumer my question is for SKM modeling purposes. I have a lot of downtime at work (most likely, we'll be in this situation for a while), so I'm doing the Brainfiller courses you recommended, and to practice, I looked at previous projects using relays and came across this one.
But I now know that: "from that oneline and most models you usually only need 50P, 51P, 50N, 51N, 50G and 51G, if that many, plus the CT ratio for each relay input, the breaker clearing time and any defined time or delays you need to add to the curves to coordinate with downstream devices. Depending on the system you may not even need the neutral or ground curves. Pretty much always need to model the Phase curves"
Thank you!
|
|
| Top |
|
 |
|
bbaumer
|
Post subject: Re: Multilin SR745 & SR850 Posted: Thu Aug 08, 2024 7:38 am |
|
| Arc Level |
 |
Joined: Fri Jul 08, 2016 10:01 am Posts: 488 Location: Indiana
|
|
Glad you found it helpful.
_________________ SKM jockey for hire PE in 17 states
|
|
| Top |
|
 |
|
Page 1 of 1
|
[ 4 posts ] |
|
|
You cannot post new topics in this forum You cannot reply to topics in this forum You cannot edit your posts in this forum You cannot delete your posts in this forum You cannot post attachments in this forum
|
|